Каталог

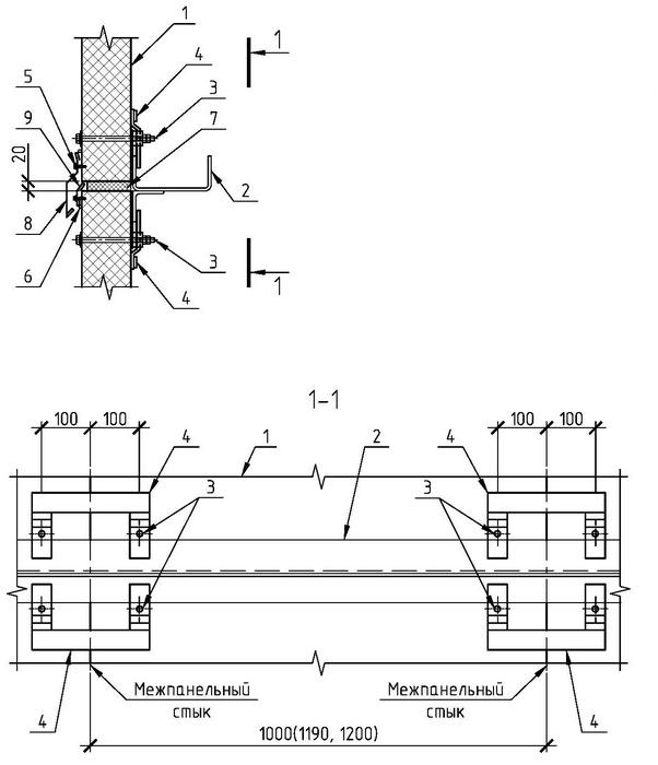
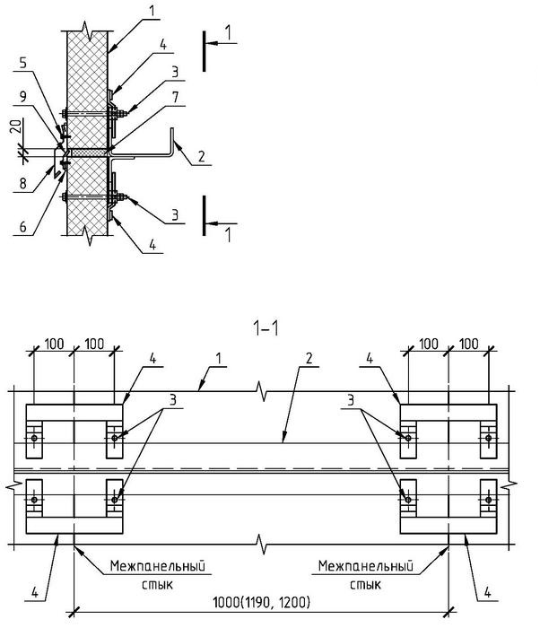
5.7 Стык 1-го и 2-го ярусов панелей. Двухъярусное и более расположение панелей

1 - Панель стеновая НЗСП
2 - Ригель рядовой РС1
3 - Комплект деталей КД2 для крепления панелей к ригелям
4 - Опорная накладка МС2 для крепления панелей к ригелям
5 - Винт самонарезающий 4,8х19 (шаг 300мм)
6 - Герметик для наружных работ
7 - Утеплитель (минвата)
8 - Фасонный элемент НФС3
9 - Фасонный элемент НФС4

Рассчитайте стоимость и получите коммерческое предложение
Заполнить заявку